三菱PLC的FX系列使用步進順控指令的方法以及注意事項
三菱PLC產品的FX系列使用步進順空指令的方法是怎么樣的?又有哪些注意事項?這篇文章帶我們一起解答。
FX系列PLC的步進指令有兩條:步進觸點驅動指令STL和步進返回指令RET。
表1 步進階梯指令助記符與功能
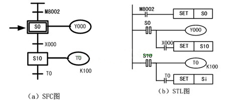
步進接點指令只有常開接點,連接步進接點的其它繼電器接點用指令LD或LDI開始。步進返回指令(RET)用于狀態(S)流程結束時,返回主程序(母線)。步進指令在狀態轉移圖和狀態梯形圖中的表示如圖1所示。
圖1步進指令表示方法
圖3-2-4(b)中每個狀態的內母線上都將提供三種功能:
①驅動負載(OUT Yi);
②指定轉移條件(LD/LDI Xi);
③指定轉移目標(SET Si)。
稱為狀態的三要素,后兩個功能是必不可少的。
先進行驅動動作處理,然后進行狀態轉移處理,不能顛倒。
驅動步進觸點用STL指令,驅動動作用OUT指令。若某一動作在連續的幾步中都需要被驅動,則用SET/RST指令。
單一的轉換條件用LD/LDI指令,多個條件用LD/LDI后面接AND(ANI)/OR(ORI)指令。
連續向下的狀態轉換用SET指令,否則用OUT指令。
相鄰兩步的動作若不能同時被驅動,則需要安排相互制約的聯鎖環節。
步進順控的結尾必須使用RET指令
1.棧操作指令MPS/MRD/MPP在狀態內不能直接與步進接點指令后的新母線連接,應接在LD或LDI指令之后。
圖3 棧操作指令在狀態內的正確使用
2.允許同一編號元件的線圈在不同的STL接點后面多次使用。但是應注意,同一編號的定時器線圈不能在相鄰的狀態中出現。在同一個程序段中,同一狀態繼電器地址號只能使用一次。
3.為了控制電機正反轉時避免兩個線圈同時接通短路,在狀態內可實現輸出線圈互鎖。
狀態程序的起始必須使用初始狀態S0~S9。在SFC中初始狀態要用雙線矩形框表示,并要由其它條件或M8002激發啟動它運行。如圖(a)(b)所示。
以上就是關于三菱FX系列PLC步進順控指令的使用方法及注意事項的全部內容了,更多自動化文章,請到海藍機電網站閱讀哦。
海藍機電為你提供機器人視覺、上位機軟件、自動化開發、機電設備維修等技術服務。
深圳市海藍機電設備有限公司(m.iotashow.com)專業經營:三菱PLC、三菱伺服電機、三菱變頻器、三菱觸摸屏等工控自動化產品的批發和代理工作。
電話:0755-88356296(10線) 吳經理:13823726967
本文原創自:深圳海藍機電設備有限公司,轉載請注明出處:http://m.iotashow.com/article/875.html.




評論信息